DESCRIPTION
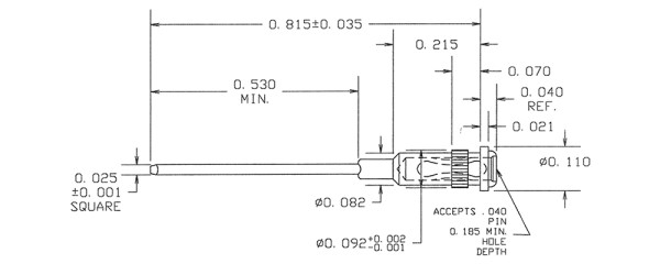
Staffall Inc. presents the Part 09-9076-1-03, a high-quality PC Jack - Non-Insulated - Feed Thru. This durable and reliable component is designed to efficiently connect and transfer signals between different printed circuit boards. Its feed-through design ensures seamless electrical connectivity, making it an ideal choice for various electronic applications. Trust Staffall Inc. to provide you with top-notch components that deliver exceptional performance and reliability.
Search Keywords: 099076103
SPECIFICATIONS
IN STOCK: 80
Ships today, if you order in
Factory Lead-Time 4 Weeks
Product Guides
English
Chinese
Spanish
